Revue technique automobile - Peugeot 406: Méthodes de réparation
NOTICE D'UTILISATION
Découpage de la fonction en trois schémas
- Un schéma de principe
- Un schéma de câblage
- Un schéma d'implantation
Constitution des schémas
- Schéma de principe :
- alimentation (+ et -)
- appareils (avec repères, symboles de fonction et détails internes électromécaniques, hors électronique)
- cases des connecteurs sur appareils,
- prises de masses
- lignes de fils (avec repère)
- Schéma de câblage :
- alimentation (+ et -)
- appareils (avec repères, symboles de fonction et détail interne électromécanique)
- interconnexions (connecteurs avec repères)
- prises de masses (avec repères)
- épissures (avec repère)
- faisceaux (avec repère)
- repères de fils
- Schéma d'implantation :
- représentation fantôme totale ou d'une partie du véhicule (en perspective)
- appareils (position, repère)
- interconnexions (position, repère)
- épissures (position, repère)
- prises de masses (position, repère)
- faisceaux (repère, cheminement)
- passages cloisons
Codification des appareils
- Les appareils sont numérotés avec 4 chiffres, exemple 4310.
- Les deux premiers chiffres indiquent la fonction, les deux chiffres qui suivent identifient l'appareil..
- La numérotation des voyants est précédée de la lettre V, exemple : V2610.
- Numérotation spécifique des appareils servant à l'alimentation électrique :
- BB00 batterie
- BB10 boîtier plus batterie
- CA00 contacteur antivol
- BF00 boîte fusibles
- Les connecteurs libres qui ont une fonction particulière (ex : test d'une fonction) sont numérotés comme les appareils avec la lettre C devant, exemple : C1300.
- Numérotation prises de masse :
- on utilise la lettre M suivie d'un numéro d'identification exemples : M2A, M90C
- Numérotation des épissures :
- on utilise la lettre E suivie d'un numéro d'identification exemples : E028, E002
- affectation d'un indice alphabétique si épissures identiques.
Exemple : E005A, E005B.
Numérotation des interconnexions
- On utilise les lettres IC suivies d'un numéro d'identification à 2 chiffres.
- Affectation d'un indice alphabétique si interconnexions identiques.
Exemples : IC20, IC05A, IC05B.
Numérotation des prises équipotentielles
- On utilise la lettre B suivie d'un numéro à 3 chiffres. Exemple : B001.
- Affectation d'un indice alphabétique si bornes identiques. Exemple : B003A, B003B.
Codification des fils
- Ce code permet de lier le numéro du fil au type d'alimentation ou à la fonction électrique.
- Les alimentations sont regroupées suivant le découpage suivant :
- Alimentation avant fusibles :
- BB alimentation + batterie
- AA alimentation + accessoire
- CC alimentation + après contact
- VV alimentation + veilleuse
- KK alimentation + après contact coupé
Exemple : BB2 (type d'alimentation + numéro d'identification du fil).
- Alimentation après fusibles :
- B alimentation + batterie
- A alimentation + accessoire
- C alimentation + après contact
- V alimentation + veilleuse
- K alimentation + après contact coupé
Exemple : B02A (type d'alimentation + numéro de fusible + numéro d'identification du fil, chiffre ou lettre).
- Alimentations spécifiques :
- M masse
- D blindage
Exemple : M262 (type d'alimentation + numéro d'identification du fil, chiffre ou lettre).
Remarque : chaque véhicule possède des particularités dans la codification des fils concernant les alimentations (elles seront gérées comme des variantes).
- Autres liaisons entre appareils :
- les chiffres de gauche reprennent le numéro de la fonction concernée (voir : codification des fonctions).
- les chiffres de droite représentent le numéro d'identification dans la fonction.
Exemple : 2604 (numéro de la fonction + numéro d'identification du fil).
Codification des abréviations
- Ces abréviations sont précisées sur les bornes de certains appareils (exemple : contacteur antivol).
- +BB plus permanent
- +AA plus accessoire
- +CC plus après contact
- +KK plus après contact coupé
Codification des couleurs
- BA blanc
- BE bleu
- BG beige
- GR gris
- JN jaune
- MR marron
- NR noir
- OR orange
- RG rouge
- RS rose
- VE vert
- VI violet
- VJ vert/jaune
LECTURE DES SCHÉMAS DE PRINCIPE

- A représentation prise de masse
- B numéro de l'appareil
- C numéro de fil
- D numéro de case du connecteur
- E couleur du connecteur
- F numéro de case du connecteur
- G numéro de fusible
- H représentation d'information allant vers une autre fonction;
- I numéro de la fonction concernée par le report
- J représentation fil existant suivant équipement du véhicule
- K figurine représentative de l'appareil
- L fils en mariage
- M représentation d'une épissure
LECTURE DES SCHÉMAS DE CÂBLAGE

- N identification du faisceau
- O représentation d'une boîte à fusibles
- P numéro de l'interconnexion
- O nombre de voies de l'interconnexion
- R couleur de l'interconnexion
- S représentation d'une interconnexion partielle
- T représentation d'une épissure
LECTURE DES SCHÉMAS D'IMPLANTATION

- 1 identification du faisceau représenté
- 2 identification de l'appareil
- 3 nombre de voies d'un connecteur
- 4 couleur du connecteur
- 5 représentation d'une prise de masse
- 6 représentation d'une épissure
- 7 identification d'une interconnexion
- 8 identification du faisceau connecté
- 9 renvoi d'un détail dans le cadre indiqué
- 10 localisation de l'étiquette du faisceau
NOMENCLATURE DES ÉLÉMENTS









Fusibles et relais
AFFECTATION DES FUSIBLES (BF00, BF01, BMF1-BMF2)
BF00 - Boîte 30 fusibles habita

BF00 - Boîte 30 fusibles habitacle (suite)

BF01 - Boîte 15 fusibles habitacle (compartiment moteur)

BF00

BF01

BMF1 - Boîtier MAXI fusibles

BMF2 - Boîtier MAXI fusibles

BMF1 - BMF2

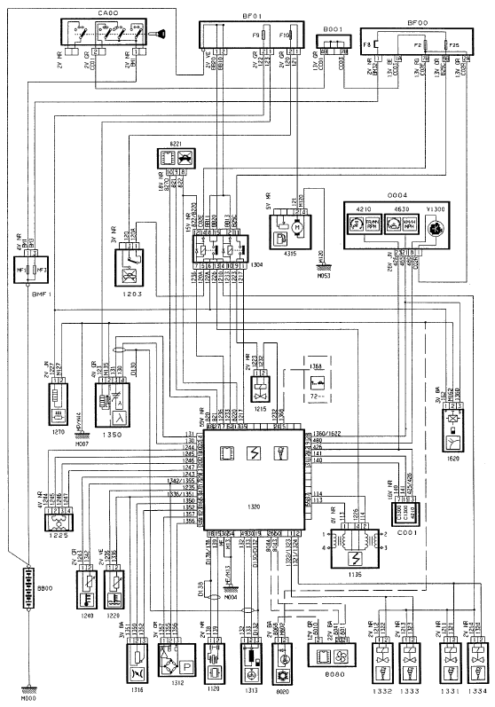
DÉMARREUR/ALTERNATEUR/PRÉCHAUFFAGE/POSTCHAUFFAGE/COMPTE-TOURS/COMPTEUR ÉLECTRIQUE/TRANSPONDEUR (SAUF AIR CONDITIONNÉ) (MOTEUR XUD9SD)


INJECTION/DÉMARREUR/ALTERNATEUR/PRÉCHAUFFAGE/POSTCHAUFFAGE/COMPTETOURS/ COMPTEUR ÉLECTRIQUE/TRANSPONDEUR (AIR CONDITIONNÉ) (MOTEURS XUD9BTF/L3 - XUD9BSD/L4)


INJECTION/DÉMARREUR/ALTERNATEUR/PRÉCHAUFFAGE/POSTCHAUFFAGE/COMPTETOURS/ COMPTEUR ÉLECTRIQUE/TRANSPONDEUR (SAUF AIR CONDITIONNÉ) (MOTEUR XUD11BTE)


INJECTION ALLUMAGE MAGNETI MARELLI MM8P/TRANSPONDEUR/COMPTE-TOURS/ COMPTEUR ÉLECTRIQUE (AIR CONDITIONNÉ) (MOTEURS XU5JP/L3-XU7JP/K)


INJECTION ALLUMAGE SAGEM SL96/TRANSPONDEUR/COMPTE-TOURS/COMPTEUR ÉLECTRIQUE (AIR CONDITIONNÉ) (MOTEUR XU7JP4)


INJECTION ALLUMAGE MAGNETI MARELLI/TRANSPONDEUR/COMPTE-TOURS/ COMPTEUR ÉLECTRIQUE (AIR CONDITIONNÉ) (MOTEUR XU7JB)


INJECTION ALLUMAGE SAGEM SL 96/TRANSPONDEUR/COMPTE-TOURS/ COMPTEUR ÉLECTRIQUE (AIR CONDITIONNÉ) (MOTEUR XU7JP4 GPL)


INJECTION ALLUMAGE BOSCH MP5.2/TRANSPONDEUR/COMPTE-TOURS/ COMPTEUR ÉLECTRIQUE (AIR CONDITIONNÉ) (MOTEUR XU10J4R)


INJECTION ALLUMAGE BOSCH MP3.2F/TRANSPONDEUR/COMPTE-TOURS/ COMPTEUR ÉLECTRIQUE (AIR CONDITIONNÉ) (MOTEUR XU10J2CTE/L3)


INJECTION ALLUMAGE BOSCH MP7.0/TRANSPONDEUR/COMPTE-TOURS/ COMPTEUR ÉLECTRIQUE (AIR CONDITIONNÉ) (MOTEUR ES9J4)


LÈVE-VITRES AVANT (CONDUCTEUR SÉQUENTIEL)/ INTERCONNEXION PORTE AVANT/HABITACLE 13 VOIES


LÈVE-VITRES AVANT (CONDUCTEUR SÉQUENTIEL)/ INTERCONNEXION PORTE AVANT/HABITACLE 42 VOIES


LÈVE-VITRES AVANT/LÈVE-VITRES ARRIÈRE


LÈVE-VITRES AVANT (COUPÉ)


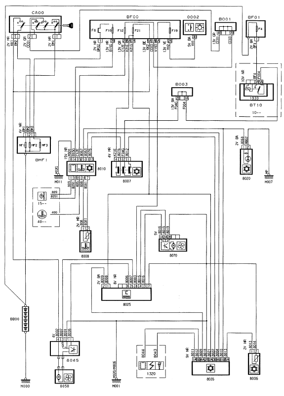
VENTILATION CHAUFFAGE


VENTILATION CHAUFFAGE (AIR CONDITIONNÉ) (MOTEURS INJECTION D'ESSENCE)


VENTILATION CHAUFFAGE (AIR CONDITIONNÉ) (MOTEURS INJECTION DIESEL)


VENTILATION CHAUFFAGE RÉGULÉS (AIR CONDITIONNÉ) (MOTEURS INJECTION D'ESSENCE)


VENTILATION CHAUFFAGE RÉGULÉS (AIR CONDITIONNÉ) (MOTEURS INJECTION DIESEL)


FAISCEAUX 01 CBP/02CBN (CÂBLE POSITIF BATTERIE - CÂBLE NÉGATIF BATTERIE)

FAISCEAUX 10 PR-1 (FAISCEAU PRINCIPAL)

FAISCEAUX 10 PR-2 (FAISCEAU PRINCIPAL)

FAISCEAUX 10 PR-3 - 44 CSL (GPL) (FAISCEAU PRINCIPAL - FAISCEAU CONSOLE) (GPL)

FAISCEAUX 10 PR-4 (GPL) (FAISCEAU PRINCIPAL) (GPL)

FAISCEAUX 16 GMV (GROUPE MOTOVENTILATEUR)

FAISCEAUX 20 MOT (MOTEUR XUD9SD)

FAISCEAUX 20 MOT (MOTEURS XUD9BSD - XUD9BTF)

FAISCEAUX 20 MOT (MOTEUR XUD11BTE)

FAISCEAUX 20 MOT (MOTEURS XU5JP - XU7JP)

FAISCEAUX 20 MOT (MOTEUR XU7JB)

FAISCEAUX 20 MOT (MOTEUR XU7JP4)

FAISCEAUX 20 MOT (MOTEUR XU7JP4 (GPL))

FAISCEAUX 20 MOT (MOTEUR XU10J2TE)

FAISCEAUX 20 MOT (MOTEUR XU10J4R)

FAISCEAUX 20 MOT - MOT/C (FAISCEAU MOTEUR COMPLÉMENTAIRE) (MOTEUR ES9J4)

FAISCEAUX 30 ABR (ANTOBLOCAGE DE ROUES)

FAISCEAUX 46 HAB-1 (FAISCEAU HABITACLE) (BERLINE)

FAISCEAUX 46 HAB-2 (FAISCEAU HABITACLE) (BERLINE)

FAISCEAUX 46 HAB-3 (FAISCEAU HABITACLE) (BERLINE)

FAISCEAUX 46 HAB-4 (FAISCEAU HABITACLE) (BREAK)

FAISCEAUX 46 HAB-5 (FAISCEAU HABITACLE) (BREAK)

FAISCEAUX 46 HAB-6 (FAISCEAU HABITACLE) (BREAK)

FAISCEAUX 46 HAB-7 (FAISCEAU HABITACLE) (COUPÉ)

FAISCEAUX 46 HAB-8 (FAISCEAU HABITACLE) (COUPÉ)

FAISCEAUX 46 HAB-9 (FAISCEAU HABITACLE) (COUPÉ)

FAISCEAUX 46 HAB-10 (FAISCEAU HABITACLE) (COUPÉ)

FAISCEAUX 50 P/B (FAISCEAU PLANCHE DE BORD)

FAISCEAUX 53 SAC 54G CEINT/G - 54D CEINT/D (SAC GONGLABLE) (CEINTURES PYROTECHNIQUES GAUCHE ET DROIT)

FAISCEAUX 59 CLM (FAISCEAU CLIMATISEUR)

FAISCEAUX 60 P/C - 65 P/P (FAISCEAU PORTE AVANT CONDUCTEUR - FAISCEAU PORTE AVANT PASSAGER)

FAISCEAUX 62 PR/G - 67 PR/D (FAISCEAU PORTE ARRIÈRE GAUCHE - FAISCEAU PORTE ARRIÈRE DROITE)

FAISCEAUX 76 VL (FAISCEAU VOLET) (BERLINE - COUPÉ)

FAISCEAUX 76 VL/G - 76 VL/D (FAISCEAU VOLET GAUCHE - FAISCEAU VOLET DROIT) (BREAK)

FAISCEAUX 85 ECL (FAISCEAU ÉCLAIREUR DE PLAQUE POLICE)

IMPLANTATION GÉNÉRALE DES FAISCEAUX (BERLINE)

IMPLANTATION GÉNÉRALE DES FAISCEAUX (BREAK)

IMPLANTATION GÉNÉRALE DES FAISCEAUX (COUPÉ)

Caractéristiques
BATTERIE
Ampérage (A)
....................................................... 250 à 300
ALTERNATEUR
Puissance (W) :
XU essence
.................. ...
Carrosserie
...
D'autres materiaux:
Atteler une remorque, une caravane, un bateau...
Utilisez exclusivement les attelages
d'origine PEUGEOT qui ont été
testés et homologués dès la conception
de votre véhicule.
Le montage de ce dispositif doit
être effectué par un Point Service
PEUGEOT.
Votre véhicule est essentiellement
conçu pour le transport des
personnes et de bagages mais peut
également & ...